Product Content

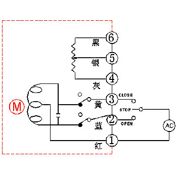
产品名称:电动执行机构线路图

产品类别:电动执行器

产品性质:推荐

点击次数:5638

产品单价:---元

资料下载:暂无下载

上一个产品:气动法兰三通球阀

下一个产品:GT气动执行器

产品详细介绍

 

标准开关型

    无源触点信号型

 

开度信号输出型

   无源触点和开度信号输出型

 

DC电源型

 AC380V电源型

智能控制模块

在线询盘

订购的产品: *

产品规格:*产品数量: *

公司名称: *

联系人:*联系电话: *

传真:电子邮件:*

详细地址: *邮编号码:

询盘内容:*

验证码: (*请输入计算结果)

Subscribe

Welcome to Szxuda. Call Us+ 86 4009921168

一直致力于工业自动化产品与控制系统解决方案